Сага о конденсаторах

NB: Впереди много технических подробностей, которые могут быть интересны только людям, державшим в руках паяльник.

Глава 1, оптимистичная: Конденсаторы

Полгода назад, ввиду ухудшающихся на глазах характеристик моей второй «рабочей лошадки», деки AIWA AD-S950 1995 года выпуска, я взялся за очередное «несвоё» дело, а именно перепайку электролитических конденсаторов, ибо слышал от многих авторитетов, что причина ухудшающегося звучания именно в них. Старые они, мол. Электролит высох или диэлектрик разложился за годы. До этого у меня уже был приличный опыт настройки магнитофонов, а также конструирования и монтажа автоматики из готовых модулей, но практически не было опыта наладки непосредственно электронных схем. А жаль, ибо тогда мне бы пришлось намного легче. Но, как говорится, тяжело в учении…

Новые конденсаторы

Конденсаторы, и не какие-нибудь, а японские Nichicon и ELNA, были благополучно закуплены благодаря Mouser’у. Заменить я решил их все. Как говорится, дурная голова рукам покою не даёт. Впрочем, причиной было ещё и желание вернуть модулям Dolby S, на которые приходится чуть ни половина всех электролитиков на схеме, их изначальные характеристики (каковая работа, впрочем, тоже оказалась лишней — но об этом позже).

Итак, с помощью скверного китайского паяльника-оловоотсоса (который я недавно заменил на более удобный), все старые конденсаторы были выпаяны, и новые впаяны взамен их, не смотря на количество, всего за два вечера.

Новый конденсатор
Конденсаторы установлены
Припаиваем и обкусываем выводы

После пробного включения деки дым не повалил. Более того, к моему изумлению, всё заработало. Ненадолго 😜.

Используя тестовые кассеты и осциллограф, я настроил деку, однако спустя всего несколько часов эксплуатации стало ясно, что характеристики продолжили ухудшаться и, как мне показалось, даже быстрее, чем прежде. После того, как в звуке появился характерный «трансформаторный» (то бишь 50 Гц AC) гул, стало ясно, что-то там явно не в порядке.

Я воззрился на схему. Не то, чтобы как баран на новые ворота— нет, попытки разбираться со схемами у меня были и до того, — но вот чтобы взять и попробовать по ним что-либо починить…

Глава 2: Регуляторы напряжения, или «Шеф, усё пропало!»
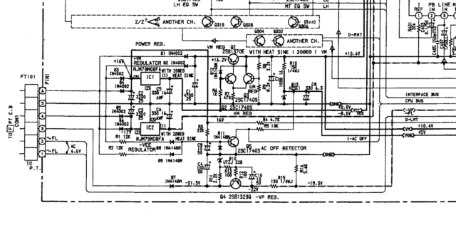
Схема блока питания

Довольно быстро я увидел, что на некоторых точках схемы прописаны напряжения. И почему мне не пришло в голову сразу их проверить? Проверил, и действительно, на линии VCC напряжение вместо номинальных +8 В оказалось около +18 В. Немедленно вырубив деку и озадачившись вопросом «что от этих 18 В там погорело?», я начал далее осмыслять схему, и пришёл к выводу, что, скорее всего, причиной завышенного напряжения, как и 50-герцевого гула на корпусе, является пробитый регулятор напряжения IC1, на котором, к тому же, стоит внушительный радиатор, указывающий на мощную нагрузку, которую он питает. Как показала история, моё предположение было верным, однако это не спасло меня от череды других ошибок.

Выписав по почте, уже далеко не японскую, замену для него, а заодно и соседнего IC2, выдающего –16 В, я взялся, разнообразия ради, тестировать старые конденсаторы. К слову, цепь отрицательного напряжения используется в аудиоустройствах, в частности предусилителях и усилителях, для того, чтобы «качать» полярность аудиосигнала в отрицательную сторону, ведь синусоида аудиосигнала колеблется в обе стороны относительно земли, однако эту же цепь также иногда используют для создания разницы потенциалов в логике.

Проверка амперметром с сопротивлением
Проверка измерителем ёмкости
Целый конденсатор
Единственный убитый конденсатор

Для проверки конденсаторов на ток утечки, я соорудил несложную схему: ток из простейшего лабораторного блока питания, встроенного в мою китайскую паяльную станцию, я направил через конденсатор, затем через мультиметр в режиме амперметра, а затем через мощное сопротивление (2 Вт, 150 Ом) обратно в блок питания. Результаты проверок оказались ошеломляющими: всего один конденсатор, C5 из блока питания, оказался убитым, и даже взорвался в результате проверки максимальным расчётным напряжением! Все остальные оказались совершенно нормальными, хотя и слегка отошедшими от идеальных характеристик. Вот вам и 15 лет эксплуатации… Впрочем, ведь кое-что всё-таки погорело.

Но почему погорело? Если посмотреть на схему, то можно увидеть, что сгоревший конденсатор C5 стоит после регулятора напряжения, включён между цепью и землёй (GND), из чего следует, что он служит для гашения стартовых токов. Он обладает характеристиками 330 мкФ 16 В, т.е. 16 вольт являются для него предельным допустимым напряжением. Предположим, что регулятор напряжения IC1 какое-то время выдавал это самое предельное, или даже более высокое напряжение. Теоретически, учитывая возраст конденсатора, это могло его убить.

Пример регулятора напряжения с радиатором

А не наоборот? Предположим, конденсатор от времени начал «пробивать». Что это значит? Это значит что, фактически, вместо того, чтобы накачаться зарядом и «заткнуться», как пробка, он постоянно потихоньку сочился, и чем дальше, тем больше, создавая на регулятор напряжения незапланированную нагрузку, вызывая перегрев, да ещё и недодавая тока тем частям схемы, которые он питал… А питал он, фактически, весь звуковой тракт: усилитель воспроизведения (PB Amp), осциллятор подмагничивания (Bias Osc), сервоусилитель Dolby HX-регулирования (Servo Amp) и т.п. Так вот в чём причина постоянного ухудшения звука! В конденсаторе, гасящем помехи блока питания?!

Ладно, решил я, починим! Новый конденсатор, уже успевший поработать на месте взорвавшегося, я выпаял и проверил. Оказалось, что он в полном порядке, не смотря на то, что некоторое время подвергался предельным нагрузкам. На всякий случай пробежавшись по схеме, я также выпаял и заменил некоторые другие конденсаторы на 16 В и менее, но как ни странно, даже 10-вольтовики ни на йоту не сдвинулись в своих характеристиках.

Электролитические конденсаторы

Итак, спустя полторы недели, я получил новые регуляторы напряжения и впаял их… Неправильно. Более того, дважды неправильно. Даже трижды неправильно!

Поясняю:

  1. Чисто по недосмотру, IC1 я впаял в перевёрнутом виде, из за чего он, фактически, просто не заработал. Но это ерунда — перевернул, и всего делов.
  2. Следующим номером уже компания AIWA ухитрилась подстроить одну удивительную подлянку:
Радиатор касается перемычки

Обратите внимание, что медный радиатор IC2, который я на фото держу пальцами, своим низом касается перемычки в центре кадра. А перемычка эта соединена вовсе не с землёй, а со входным выпрямленным напряжением –17В. Я не представляю, каким образом японцы допустили в конструкции подобную хреновину, и как они умудрялись впаивать радиаторы ровно таким образом, чтобы они не касались этой перемычки…

  1. И последний пункт: новые регуляторы имели металлический вылет под винт (по-английски называемый fin — плавник), в то время как у оригиналов вылет был пластиковым. Ну что ж, подумал я, это же как в радиатор в компьютере, для лучшего теплоотведения от подложки. Вот именно: от подложки транзистора! Следовало, хотя бы, обратить внимание на подпись мелким шрифтом в даташите*:

А подпись гласит: «вылет радиатора соединён с выводом 2«. И если у нашего нового регулятора на +8 В (NJM78M00) вывод 2 соединён с землёй (GND), то у –8 В (NJM79M00) он соединён со входом (IN). А радиатор соединён с землёй! Ёпрст! 🤦‍♂️

И я снова включил аппарат… Нет, дым не повалил, но горелым запахло. 🤖

К сожалению, у меня до сих пор не хватает воображения, чтобы представить, как именно изменились направления течения тока, после того, как он потёк по непредусмотренным для того путям, и какие именно части схемы подверглись перегрузке. Я ограничился тем, что перепаял выпрямительные диоды, снова перепаял оба регулятора напряжения (благо у меня были запасные), затем дремелем с гравёрной насадкой перепилил дорожки на плате, соединявшие радиаторы с землёй, решив, что они и так будут хорошо выполнять свою функцию, и сделал в радиаторе IC2 пропил под злополучную перемычку.

Итак, я снова включил аппарат, уверенный, что теперь он в полном порядке… Но он не подал признаков жизни. Даже дисплей не светился. Никаких движений. Всё? Кирдык? 😵

Глава 3: Земля
Регуляторы, транзисторы и перепиленные дорожки

Я достал осциллограф, проверил напряжение на выводах регуляторов напряжения (вернее, на контактах ближайших по схеме деталей, к которым легче прикоснуться щупом), и они, как ни странно, оказались в норме: +8 В и –8 В. Значит новые регуляторы напряжения работали отлично. Однако что-то было не так с совсем другой частью блока питания: с мудрёной конструкцией из трёх взаимосвязанных транзисторов Q1, Q2 и Q3. На выходе этого модуля напряжение прыгало очень странным образом, более того, такое же скачкообразное напряжение читалось даже на полностью изолированном радиаторе транзистора Q1. Электромагнитные помехи?

Я, в очередной раз, отложил несчастную деку в сторону и занялся до поры другими делами. Спустя какое-то время, я размышлял о принципе работы транзистора, и понял, что подобное поведение в напряжении похоже на лавинный пробой. Но что пробивает? А может оно должно пробивать, как в стабилитронах (они же диоды Зенера), а причина нестабильного пробоя в другом месте? Я начал по схеме искать место, далее которого начиналась аномалия в напряжении. В качестве проверки перепаял транзистор Q2 и зенер D13. И аномалия исчезла… Отчасти. Нестабильное напряжение сменилось стабильным. К счастью, довольно низким — всего +4 В.

Но аппарат по-прежнему не подавал никаких признаков жизни. Хотя транзистор Q1 имел полностью пластиковый корпус и не контачил с радиатором, я всё равно, на будущее, также отсоединил его радиатор от земли, т.к. в этой части схемы любой контакт с землёй чреват последствиями.

На этом этапе, я уже начал подозревать, что случилось самое худшее: сгорел процессор. Да, у этой деки, как и у всех дек с так называемым «полным логическим управлением» (full logic control), всё контролирует микроконтроллер. В данном случае это 4-битовый Sanyo LC6554H, программа в ROM которого зашивается на заводе, и под каждую программу выпускается своя модификация чипа, посему замену ему так просто не найти.

В поисках решения, я перепаял тактовый генератор (керамический осциллятор) процессора, и ещё пару конденсаторов на его цепях питания, и даже полностью изолировал от радиатора злополучный регулятор напряжения IC2, хоть это и немного ухудшало теплоотведение. И каждый раз, нажимая кнопку «Power», я со смутной надеждой ждал, что аппарат оживёт. Но нет. Он не подавал признаков жизни, если не считать светящихся нитей накала в индикаторе. Мне начинало казаться, что электроника действительно работает на магии, а не на законах природы…

Вылет IC2 теперь изолирован кусочком пластика, а вся конструкция прижата к радиатору латунной пластиной

Внезапно я осознал, что моя задача, на самом деле, проста: я просто попытаюсь добиться того, чтобы везде были нормальные, правильные напряжения, а там уже посмотрим. И, как показала практика, это был совершенно правильный путь!

Самым странным для меня было наличие напряжения, около +4 В, на дорожках земли (GND) примерно на половине всей схемы, в том числе и на процессоре. Довольно долго я не мог понять, в чём причина. Как может быть напряжение на земле? Пока, наконец, меня не осенило: может, если она не соприкасается ни с какой массой, которая суть точка отсчёта электрического потенциала. Ноль, относительно которого всё колеблется. А раз он не ноль, значит тут две земли, а не одна!

Но вот незадача: я проверил мультиметром контакт земли на схеме процессора с корпусом, и он отлично прозванивался. Я начал внимательно осматривать дорожки. Нет, всё цело! Если, конечно, не считать тех дорожек, которые я перепилил сам, но там я внимательно следил, чтобы не оборвать цепи, а всего лишь изолировать островки, к которым припаивались радиаторы. И всё же обрыв где-то был, просто ток при прозвонке находил какие-то окольные пути, может быть даже через транзисторы, ведь для того, чтобы земля выполняла свою функцию, путь от точки заземления до массы должен быть кратчайшим, иначе индуктивные токи поползут в непредусмотренных направлениях. Чем дальше я над этим думал, тем более очевидным это становилось.

И тут я понял: мудрые японские инженеры использовали радиаторы в качестве перемычек! А я их перерубил.

Замена радиаторам

Оставалось только припаять несколько проводков, заменяющих радиаторы. И… ничего. Более того: погасли даже нити накала в индикаторе! Я совсем было упал духом и снова отставил деку в дальний угол, но затем снова вспомнил про основной принцип: обеспечить везде правильные напряжения, а уже потом делать выводы.

Глава 4, короткая: Шлейф, или «Поциент жыв!»

Потыкав осциллографом в выводы процессора, я обнаружил, что нормальное питание к нему по прежнему не подаётся. Например, на всех трёх контактах керамического осциллятора, один из которых был землёй, было +4 В. И это при том, что на основной плате нормальные напряжения были уже везде. Дальнейшая проверка показала, что контакт теряется на шлейфе, соединяющем переднюю панель с основной платой. Сам шлейф на вид был в полном порядке, и отлично прозванивался. Следуя методам Шерлока Холмса напрашивался вывод, что виноваты разъёмы. Так оно и оказалось — тыкая щупом в их контакты, некоторые из них я незаметно погнул, и они не контачили со шлейфом.

Оставалось только выпаять испорченный разъём, вынуть из него контакты, выпрямить их и вставить обратно. Действовать пришлось очень осторожно, т.к. замена для такого разъёма в свободной продаже не числилась.

Итак, снова нажимаем кнопку и… машина ожила! ✌️

Экран светится!

Тыкнув щупом в один из выводов резонатора я, как и следовало ожидать, увидел синусоиду частотой 4 мГц, на втором были здоровые +5В. Подключив блок ЛПМ** я убедился, что мотор работает, все соленоиды щелкают как надо. Вставил кассету, надел наушники: ура! Играет! 😁

Глава 5: Две микросхемы

Впрочем, радость оказалась немножко затуманена тем, что индикатор левого канала, при включении ленты, показывал зашкал***. То же было, если я нажимал кнопку «Monitor» (мониторинг входного сигнала). Но теперь-то я уже знал, как действовать.

В соответствии со схемой, я прошёлся щупом по ходу сигнала, который уходил в индикатор (вернее, конечно, в процессор), и обнаружил, что зашкал вызван DC-смещением в +5В, начинающимся на конденсаторе C204 сразу за Dolby-декодером, но, к счастью, не непосредственно на выводе декодера. На левом линейном выходе деки также было то же самое смещение, практически незаметное для уха, но напрочь забивающее индикацию.

Здесь я снова сделал пару неверных, хоть и уже осторожных умозаключений, даже попробовал заменить этот самый конденсатор C204, но, имея уже некоторый опыт в отыскании истинных причин проблемы, я начал тщательно прослеживать по схеме ход сигнала, непосредственно от точки, где начиналась аномалия и далее в сторону индикатора, отбрасывая маловероятные варианты. Очевидно было, что смещение вызвано попаданием какого-то паразитного напряжения в аудиосигнал, скорее всего с одной из цепей питания, нужно было только найти точку, где оно происходит.

Помня старое правило (которое, впрочем, довольно трудно усвоить интуитивно), что ток — не телега, которая едет по дороге, а нечто, что расползается во всех возможных направлениях, покуда его ход не будет прерван либо сопротивлением, где он превратится в тепло (или в радиоволны или свет), либо будет отведён куда-то на массу, я снова покружил взглядом по линиям схемы. Становилось очевидным, что пробой происходит, скорее всего, внутри микросхемы IC251, являющейся переключателем между входом и сигналом с ленты. Дополнительно в пользу этого предположения говорил уже приобретённый к тому времени опыт, что всё-таки полупроводниковые устройства перегорают первыми, а конденсаторы и прочие детали куда более дубовы по части перегрузок.

Итак, на следующий день пара совместимых микросхем производства Texas Instruments были куплены (одна в запас), IC251 перепаяна. Включаем, проверяем: нет! По-прежнему зашкал***. 🤨 Снова шевельнулось сомнение: может я что-то не так понимаю? Может всё вообще не так?

Нет, не может быть! Надо копать дальше.

Новые микросхемы

Дальше по ходу тока стоял блок «Mute», отключающий звук в случае калибровки ленты, и точно такая же микросхема-переключатель IC642, переключающая источник индикации, но также пропускающая через себя весь аудиосигнал. Перед ней находились разъёмы линейного выхода и предусилитель наушников, а позади неё, на линиях калибровки сигнала, паразитного напряжения уже не было. Проверив, на всякий случай, что все три транзистора в «Mute» срабатывают как надо, я решил перепаять последнюю оставшуюся микросхему…

И снова мои выводы оказались верными! Всё заработало. То есть, вообще всё! 👍 Теперь дека была полностью восстановлена, можно сказать, из пепла. Дело оставалось за малым: откалибровать и собрать всё обратно, на что я и потратил ещё часа полтора.

P.S.: По итогам более длительной проверки, обнаружилась ещё одна довольно скверная (потому, что непостоянная) проблема с управлением «катушечным» (reel) мотором. После сравнительного анализа графиков напряжений при нормальном и аномальном поведении, на всех компонентах, начиная от самого мотора и далее, лечение ограничилось заменой диода на VCC2 питании драйвера мотора, но в нём ли реально была проблема, станет видно только со временем. Но тактика дальнейшей работы очевидна: заменить уже сам драйвер и, если и это не поможет, то копать дальше…

P.P.S.: Копать дальше не пришлось. Месяц эксплуатации показал, что причина была именно в диоде.

И вот она снова в строю, и готова записывать будущие Ваши кассеты )))
Эпилог: выводы и советы
  1. Как показала проверка, все старые электролитические конденсаторы, кроме одного, оказались в очень хорошем состоянии, из чего я заключаю, что конденсаторы дохнут не от времени, а от времени × нагрузку (T×P, P=I×V). И даже более от нагрузки, чем от времени. Определить нагрузку, прилагаемую к конденсатору, можно приблизительно по его размеру — чем больше конденсатор, тем на большую нагрузку он рассчитан. Собственно говоря, то же правило действует и для всех остальных радиодеталей. Поэтому, прежде всего, обращайте внимание на конденсаторы большого размера, особенно на те, что стоят в блоке питания. Если аппарат винтажный, то их очень хорошо бы проверить ещё до первого включения. Проверять следует не только измерителем ёмкости (эта функция имеется также во многих современных мультиметрах), но и напряжением, плавно поднимая его вплоть до указанного на маркировке, и следя за силой тока, протекающей через конденсатор (либо измерять напряжение на нагрузочном сопротивлении, которое всегда пропорционально силе тока). Если конденсатор рассчитан на 50В, то стоит проверить его хотя бы до половины напряжения (25В), но лучше, конечно, на все 50В. Мелкие конденсаторы, даже электролитические, но в особенности керамические и плёночные, способны отлично проработать десятки лет (пару десятков точно, во всяком случае), за исключением особых случаев, таких как «болезнь оранжевых конденсаторов«. (заметка от 07.22: керамические и плёночные конденсаторы надёжнее электролитических только в слаботочных низкочастотных схемах; например в высокочастотных блоках LCD телевизоров они сгорают довольно часто. Также довольно ненадёжны многие более редкие типы конденсаторов, использовавшиеся до середины 1980-х годов, за исключением слюдяных)
  2. (заметка от 07.22: выводы, сделанные в этом пункте верны лишь отчасти) Далеко не всегда хорошо ставить электролитический конденсатор с бо́льшим расчётным напряжением, например 50В вместо 25В. Конечно, это допустимо, но даже если конденсатор стоит в блоке питания, то лучше просто найти вариант с бо́льшим расчётным сроком действия (например 10 000 часов вместо 2 000). Дело в том, что напряжения, близкие к верхнему пределу, помогают ему восстанавливать ёмкость после длительных простоев. Чтобы хорошо выполнять свои задачи, электролитический конденсатор время от времени должен полностью насыщаться зарядом и восстанавливать на диэлектрике плёнку оксида алюминия. Номиналы конденсаторов инженерами, конструирующими схемы, по крайней мере в прежние времена, подбирались с учётом этой особенности. В процессе проверки напряжением, я постоянно наблюдал, как у старых электролитических конденсаторов, после полной «прокачки», почти полностью восстанавливались характеристики: если при первом тестировании ток утечки начинал замедляться очень рано и крайне редко достигал нуля, то при последующих проверках скорость его падения становилась уже очень резвой, и значение останова зарядки было намного ближе к нулю.
  3. Из всех деталей первыми дохнут полупроводники: регуляторы напряжения, транзисторы, микросхемы, диоды. Их подозревайте первыми. Причиной перегорания полупроводника может быть другая деталь, например пробойный конденсатор, поэтому всегда ищите первопричину и устраняйте её первой. Если, конечно, первопричина находится на схеме, ведь бывают и скачки напряжения в электросети, и удары молнии. Из всех полупроводников диоды наиболее бронебойны, но и они выходят из строя, иногда даже перегорая на две части. Поэтому если диод имеет некоторый запас по силе тока, то это хорошо.
  4. Ремонт следует начинать с устранения всех аномальных напряжений на линиях питания, начиная от блока питания и постепенно двигаясь вглубь схемы. Нормативные напряжения, а иногда и другие полезные параметры, всегда прописаны на схеме.
  5. Схема далеко не всегда соответствует реальной разводке дорожек на плате. Даже в японской аппаратуре попадаются несколько сомнительные решения, вроде использования радиаторов в качестве перемычек или же радиаторы, почти касающиеся перемычек.
  6. Сверхвнимательно смотрите даташит*, прежде чем заменять деталь! Важно соответствие не только расположения выводов и электрических параметров, но и конструктивных особенностей, таких как изолированный или неизолированный вылет под крепление радиатора.
  7. Нет необходимости перепаивать все электролитические конденсаторы в вашей аудиоаппаратуре! Малоёмкие конденсаторы (менее 5 мкФ) в слаботочных цепях десятки лет остаются в очень хорошем состоянии, в проверке и замене могут нуждаться только более ёмкие конденсаторы или те, что находятся в более нагруженных цепях, таких как блок питания или усилитель мощности. Начните с проверки напряжений по схеме: если они в норме, то там перепаивать ничего не нужно, разве что в целях профилактики (что, в общем-то, иногда, не так уж глупо). По части же улучшения звучания правила те же: там, где большие нагрузки или же очень чувствительный узел (например предусилитель), там детали, конечно, можно заменить, и улучшение качества звука при этом иногда оказывается довольно заметным, особенно по части реактивности НЧ.
  8. Впрочем, по поводу замены старых электролитиков, которые ни на вид, ни при тестировании не вызывают подозрений, стоит заметить важный момент: электролитический конденсатор — это герметично закрытая ёмкость с диэлектриком и довольно большим количеством жидкого электролита (заметка от 07.22: не совсем так, он находится в диэлектрике в связанном состоянии, и выкипает наружу уже в виде чистой жидкости только когда конденсатор пробит). В дне конденсатора находится его наиболее чувствительная часть — пробка (seal), резиновая или пластиковая. Металл корпуса плотно обжат вокруг неё, но время, как известно, рушит гранитные замки, и потому, особенно если конденсатор работает в сильноточной цепи, пробка с годами может дать течь, а вытекший электролит старых конденсаторов — это как минимум повреждённое покрытие контактов окружающих деталей и дорожек платы. Поэтому чем старше ваш магнитофон, тем более он нуждается в замене хотя бы всех мощных электролитиков, во избежание более серьёзных проблем в будущем. ^
  9. И последнее: полностью мёртвых электронных устройств не бывает! Впрочем, в отдельных случаях, устройство проще и дешевле просто выбросить, чем починить… 😜

Andas Vinden

* англ. datasheet (лист данных) — так называют сопроводительную документацию по радиодеталям

** ЛПМ — лентопротяжный механизм

*** зашкал — то же, что перегруз; если у прибора есть шкала, то выход индикаторной стрелки за её пределы называется зашкаливанием

^ добавлено 19 мая 2020 г.

8 Responses

  • Эта статья мне помогла оживить такой магнитофон, маленький кусочек схемы блока питания и все стало на места. В моём случае проблема била в стабилизаторе +8 вольт, а от этого напряжения зависит и регулятор +10 вольт. Стабилизатор 7808 заменил и все заработало, поставлю на прогонку, может еще что-то вылезет после долглетнего застоя . Купил его неделю назад не рабочий. Спасибо за статью.

    • Это здорово! Да, это классический случай: если устройство вообще не подаёт признаков жизни, то в 90% случаев это проблема с блоком питания, и иногда не одна. Зачастую вспомогательные напряжения делаются из базового, поэтому если летит основной силовой стабилизатор, то он может потянуть за собой и некоторые другие компоненты.

  • Спасибо за статью! Хотелось бы научиться так же)) Какое вообще оборудование нужно, чтобы диагностировать и менять конденсаторы, транзисторы и прочую электронику? Сам умею чистить и смазывать механизмы, настраивать деку и кое-как паять. Паяльник у меня есть, но очень простой. Мультиметром никогда не пользовался и не знаю, какой подойдёт.

    • Здравствуйте, Николай! Со времени написания статьи очень много новых знаний появилось, и порядком, конечно, надо написать статью для начинающих электронщиков и вообще желающих самим что-то чинить в электронике, т.к. там очень много подводных камней, даже в простой замене деталей, если раньше никогда этим не занимался. Вкратце, что нужно из инструмента: можно обойтись и обычным простым паяльником, главное сильно не перегревать детали, чистить жало, использовать хороший припой и флюс (сам предпочитаю ЛТИ-120). Из того, чем пользуюсь сам уже давно: жало не тонкое-острое и не классическое широкое, а типа зубила 1 мм шириной на конце, для очистки жала самая лучшая штука — YH-08C, это такая баночка с латунной мочалкой внутри и слоем канифоли на дне, мультиметр самый универсальный и вообще хороший — ZT102. Различные отдельные измерители ёмкости конденсаторов не нужны — так и даже лучше мерить ёмкость умеет и ZT102, а вот завышенный ESR у убитых конденсаторов обнаружить можно только измерителем RLC, например АКИП-6107 либо (менее удобно и точно) LCR-T4 или тысячи ему подобных. Осциллограф, к сожалению, ничем не заменишь, т.к. ни один мультиметр, кроме особо профессиональных, не способен измерять напряжение переменного тока с частотой свыше 60 Гц, а для настройки магнитофона нужно аж 15-20 кГц при воспроизведении настроечных кассет. Сейчас есть относительно недорогие карманные осциллографы типа DSO или MiniDSO, но я их не пробовал (свой АКТАКОМ ADS-2111 я покупал много-много лет назад, и довольно дорого).

    • Да, забыл самое главное страдание: удаление старых деталей. Если их неаккуратно удалять, можно очень легко повредить дорожки на плате, а восстановить их очень трудно. Для выпайки я использую несколько разных приборов, и универсального нет. Я использую: обычный вакуумный оловоотсос ProsKit, паяльник с оловоотсосом ZD-210 (у него кнопка плохо держится в замкнутом состоянии, и это не заводской брак — он просто так плохо сделан, т.к. я перепробовал их три штуки в разные годы) и ещё термопинцет безымянного производителя на 48 Вт. Иногда ещё фен паяльной станции, для выпайки современных SMD компонентов, но с ними вообще отдельная история. Приходится применять все инструменты, но обычный оловоотсос реже всего, т.к. ZD-210 полностью заменил бы его, если бы не его поганая недержащаяся кнопка. Термопинцет хорош, чтобы нагреть обе ноги конденсатора одновременно и вытащить его с обратной стороны, а затем дырки можно прочистить оловоотсосом.

      • Огромное спасибо за подробный ответ! Буду теперь разбираться во всём этом) И буду очень благодарен за статью для начинающих! Кассетная культура сейчас, на мой взгляд, это самый увлекательный музыкальный формат. Тут и электронщиком станешь, и реставратором, и в фирмах с их историей разбираться начнёшь, и в конце ожидает челлендж — максимально качественно записать звук на ленту (калибровка деки, ленты, уровней и т.д.). Для меня это стало очень увлекательным и полезным (для понимания электроники) увлечением. Даже дизайнером стать можно, делая обложки 😀

      • Нашёл интересное комбо-устройство: FNIRSI DSO-TC2
        Там осциллограф объединён с тестером компонентов, имеется генератор сигнала.
        Подскажите, смогу ли я обойтись только им?
        Он заменит мне осциллограф, мультиметр и измеритель RLC?

        • Похоже, очередное чудо на «всемогущем» ATMega328 ))) Что только китайцы не делают ) Судя по обзору и сравнению с подобными, как простой осциллограф до 100 кГц он работает и, похоже, так и задумывался (как дешёвый конкурент более приличному Hantek 2D72/2D82). Мультиметр он не заменит, это точно, но как осциллограф для начала вроде сгодится. Для тестирования конденсаторов тоже не пойдёт — он почему-то не измеряет ESR, хотя в остальном все функции тестера там такие же как у LCR-T4 (ну или чуть упрощенные).

Добавить комментарий для Владимир. Отменить ответ

Ваш адрес email не будет опубликован. Обязательные поля помечены *